|
AM-SSB приемник Мастер 2025
| |
| olegby3838 | Дата: Четверг, 2025-Май-01, 11:06 | Сообщение # 1 |
 продвинутый
Группа: Пользователи
Сообщений: 272
Статус: Offline
| На досуге приступил к разработке AM-SSB приемника на основе размышлений: https://radiorubka.at.ua/forum/9-268-26 Дата: Вторник, 2025-Апр-29, 22:28 | Сообщение # 383
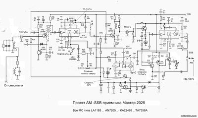
На данный момент прикидка основной схемы имеет такой вид:

Что уже есть в схеме 1. Плавное сужение полосы сверху от 6кГц 2. Стандартные фильтры на 10,7 мГц (желательно на 6кГц) -2 шт и на 455 кГц (можно на 465кГц) тоже на 6кГц шириной 3. Честное формирование АРУ с плавной регулировкой времени отпускания. (важно для SSB) 4. Глубокая (не меньше 80дБ) + линейная регулировка АРУ с задержкой по уровню. 5. S метр не привязан к задержке АРУ, будет работать до начала ее работы. 6. ВысокоУровневый 1й каскад усиления с ОС в исток, поднимает ДД.
Рассмотрю предложения, учту разумные замечания.
Сообщение отредактировал olegby3838 - Четверг, 2025-Май-01, 12:05 |
| |
|
|
| kotrad78 | Дата: Четверг, 2025-Май-01, 16:07 | Сообщение # 2 |
 мастер
Группа: Пользователи
Сообщений: 1083
Статус: Offline
| Цитата olegby3838 (  ) учту разумные замечания. Добрый день. Примите ряд замечаний.
1. На схеме насчитал 6 подстроечных резисторов. Возможно ли как можно большую часть из них заменить на два постоянных? Возможно это немного снизит характеристики, но, зато повторение существенно упростится.
2. В соседней теме поднимали вопрос, что двухзатворные полевики промышленность больше не выпускает. И на двух 2N7000 результат с ваших слов получился хороший. Так зачем снова двухзатворники в схему ставить? Может быть стоит вообще про них больше не вспоминать, а делать только на обычных полевиках?
3. На сайте LCSC и Mauser нет ни одного типа микросхем, которые указаны внизу схемы. Это существенно усложняет повторяемость конструкции. Мало того, если начинающий радиолюбитель купит на Али какую-нибудь подделку, то, он получит только разочарование от сборки приёмника, который или совсем не заработает или заработает плохо.
Понимаю, что это сильно усложняет начальную разработку, но, попробуйте найти и применить такие типы микросхем, которые есть в наличие (in Stock) тут: https://www.lcsc.com/ или тут: https://www.mouser.com/
При таком подходе у радиолюбителя будет выбор. Либо купить оригинальные транзисторы и микросхемы с официальных сайтов и гарантированно получить рабочий приёмник с хорошими параметрами, или попытать удачу за дёшево взять что-то на Али.
|
| |
|
|
| igor_dzhunenko5 | Дата: Четверг, 2025-Май-01, 17:13 | Сообщение # 3 |
|
ищущий
Группа: Пользователи
Сообщений: 86
Статус: Offline
| olegby3838, Олег, а что если взять за основу вашу схему приемника. Подкорректировать под нужные ПЧ, добавить коммутацию КФ для АМ и ОБП и ввести режим АМ.
|
| |
|
|
| shwonder | Дата: Четверг, 2025-Май-01, 17:23 | Сообщение # 4 |
 просветленный
Группа: Модераторы
Сообщений: 3344
Статус: Offline
| Цитата kotrad78 (  ) 1. На схеме насчитал 6 подстроечных резисторов. так там сложно что то выкинуть, может после первого макетирования уточнятся номиналы и можно будет. Например, регулировка полосы вообще на переднюю панель выносится, а можно и "нет".
Цитата kotrad78 (  ) Так зачем снова двухзатворники в схему ставить? я предполагаю, что этих полевиков наделали до третьего тысячелетия, их не делают поштучно, и даже по десяти тысячно, так что несколько миллионов где то на складах пылятся, ждут своей очереди. надо ж их куда то девать. А так жалко расставаться , мне они сильно нравились, даже сссровские КП306 и 350 в свое время наделали много шороху. Покупал по 5 рублей в 1979 году, если в водке мерять то 5:4.12 , вот так.Цитата kotrad78 (  ) Может быть стоит вообще про них больше не вспоминать, а делать только на обычных полевиках? вот не согласен.
Цитата kotrad78 (  ) нет ни одного типа микросхем, которые указаны внизу схемы. на этих микросхемах уже 15 (или больше) лет делаются трансиверы серии СВхххх, массово и успешно, а еще всякие конверторы , приемники и др. И с микросхемами нет никаких проблем, вот не знаю, кому придет в голову переплачивать и покупать у моузера. И зачем радиолюбителю гарантированный результат ?
|
| |
|
|
| olegby3838 | Дата: Четверг, 2025-Май-01, 21:22 | Сообщение # 5 |
 продвинутый
Группа: Пользователи
Сообщений: 272
Статус: Offline
| kotrad78,
1. С устным счетом явно непорядок, не могу же я допустить крамольную мысль, что форумный мастер с 4мя звездами, не может на схеме отличить подстроечный резистор от переменного? А вот только для новичков поясню, что на принципиальных схемах они обозначаются по-разному. Со стрелкой - переменный, который выносится на переднюю панель.

Одно из сервисных решений, плавное сужение полосы, разве не надо? Когда много лет работаешь в SSB, начинаешь ценить возможность регулировать скорость АРУ в зависимости от условий приема. Вытягиваешь слабую станцию в условиях помех или общаешься комфортно. Во всех буржуях есть выбор скорости отпуск. АРУ. Чуть не забыл, спецы по передатчикам этого могут не знать... Синим 2 и 4. S метр и порог второго разрядного канала форм. АРУ разве не нужно? Кому мешает установка уровней AM и SSB - сами ее выкинут.
2. 3. Уже были достойные ответы!
igor_dzhunenko5,
Я знаю (точнее общался в эфире) только одного спеца, который собрал прототип Мастера 2007. Трансивер разжеван на CQHam, куча информации, опубликован в журнале Радиохобби. Как думаешь, почему так? М2007 я делал для себя, по полной программе, без оглядки, будут его повторять или нет. А почему Мастер АМ на этом сайте, при более слабой общей подготовке участников, собрали на сейчас уже несколько человек? Правильно - простота. Сделать можно все, но придумать простой и хорошо работающий аппарат, задача нетривиальная и ооочень интересная. У меня есть чем заниматься, не радио, многое что не успеваю, но вот что-нибудь отлохматить новое прикольное, буду время изыскивать. Переделывать серьезную, уже отработанную, хорошо работающую конструкцию не вижу смысла, да и неинтересно...
shwonder,
Во многом согласен. TNX!
|
| |
|
|
| kotrad78 | Дата: Четверг, 2025-Май-01, 21:31 | Сообщение # 6 |
 мастер
Группа: Пользователи
Сообщений: 1083
Статус: Offline
| Цитата olegby3838 (  ) С устным счетом явно непорядок Возможно, но у кого-то видимо не только со счётом не порядок, но ещё и со зрением, коль на своей же схеме забыл, сколько у него подстроечников
|
| |
|
|
| olegby3838 | Дата: Четверг, 2025-Май-01, 21:58 | Сообщение # 7 |
 продвинутый
Группа: Пользователи
Сообщений: 272
Статус: Offline
| В отличии... признаю честно, пропустил. Но... что от этого меняется?
|
| |
|
|
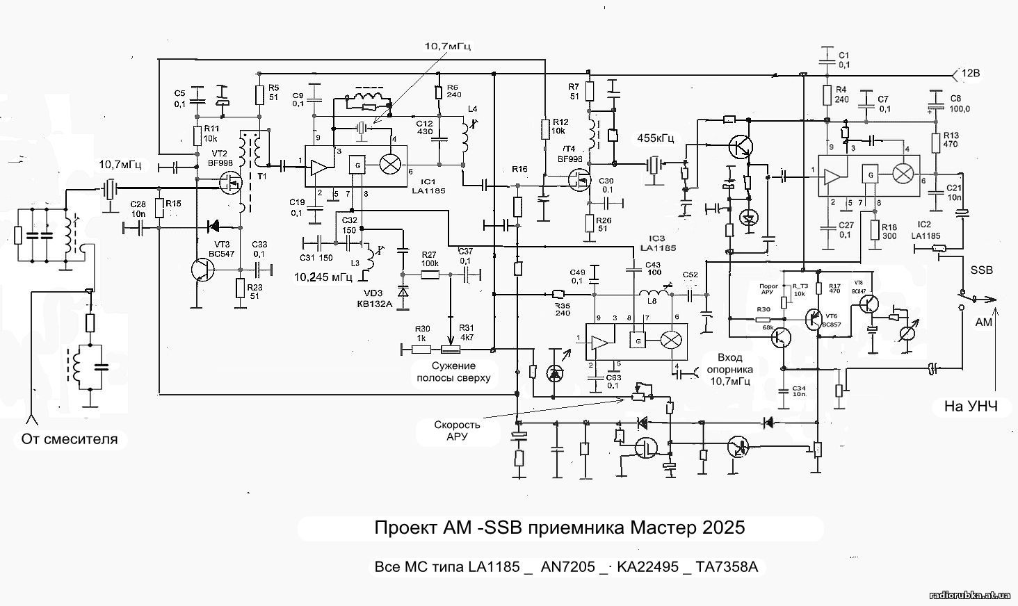
| olegby3838 | Дата: Пятница, 2025-Май-02, 16:29 | Сообщение # 8 |
 продвинутый
Группа: Пользователи
Сообщений: 272
Статус: Offline
| Прикинул блок схему приемника, похоже она получилась страшнее, чем принципиальная

По смесителю, вроде как определились, но может быть для универсальности входной и НЧ тракты так же сделать на отдельных ПП?Добавлено (2025-Май-06, 11:08) --------------------------------------------- Только что пообщался в матерым ХЭМом насчет прикидок по этой этой разработки (он видел ее на сайте). Сомневается, что "покатит". Сложная.  Добавить SSB детектор в Мастер АМ, заменить МИКС и МС в УНЧ. Но, самое главное, даже в АМ полоса 6кГц не нужна, от не отказываются, музыку никто не слушает, чаще всего сейчас используют максимум 3,5кГц. Вот теперь думаю...
|
| |
|
|
| rw6bw73 | Дата: Вторник, 2025-Май-06, 15:04 | Сообщение # 9 |
 знающий
Группа: Пользователи
Сообщений: 160
Статус: Offline
| Нужно делать полноценный приемник как из 1 поста. Смеситель наADG774 УНЧ на TDA1013 - отлично себя зарекомендовал в предыдущей конструкции. А в плане сложности схемы ,так это второй вопрос Даже первый вариант Мастера не все довели до ума. А рассуждать с дивана могут все.
|
| |
|
|
| olegby3838 | Дата: Среда, 2025-Май-07, 09:07 | Сообщение # 10 |
 продвинутый
Группа: Пользователи
Сообщений: 272
Статус: Offline
| rw6bw73,
Хорошо, полноценный. Сужение и просто полоса 6 кГц нужна или нет? Если эту функцию убрать, будет еще проще.
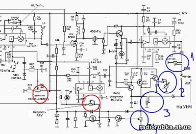
Вчера накидал вариант ПЧ тракта без МС сохранив изменение полосы. Разве сложно ?

Зеленым - на переднюю панель Красным - подстроечники на ПП Синим - можно заменить подобранным делителем.
Сообщение отредактировал olegby3838 - Среда, 2025-Май-07, 09:23 |
| |
|
|
| US5EVD | Дата: Среда, 2025-Май-07, 10:17 | Сообщение # 11 |
 мудрец
Группа: Модераторы
Сообщений: 1225
Статус: Offline
| Красиво. Но, нужно моделировать живьем. Как правило, будут нюансы. Ждем варианты остальных узлов.
|
| |
|
|
| rw6bw73 | Дата: Среда, 2025-Май-07, 10:18 | Сообщение # 12 |
 знающий
Группа: Пользователи
Сообщений: 160
Статус: Offline
| Всех поздравляю с ДНЕМ РАДИО. Сужение полосы весьма полезная функция. Лучше все же пименить широкораспространенныя мелкосхемы типа TA7358
|
| |
|
|
| olegby3838 | Дата: Среда, 2025-Май-07, 10:44 | Сообщение # 13 |
 продвинутый
Группа: Пользователи
Сообщений: 272
Статус: Offline
| rw6bw73, С Днем Радио!
Цитата rw6bw73 (  ) Лучше все же Чем лучше? В разводке ПП точно хуже 
Цитата US5EVD (  ) Но, нужно моделировать живьем Само собой, нюансов никто не отменял...
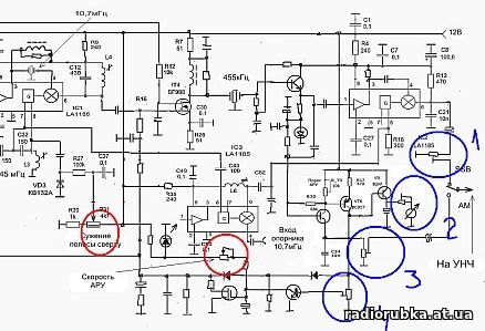
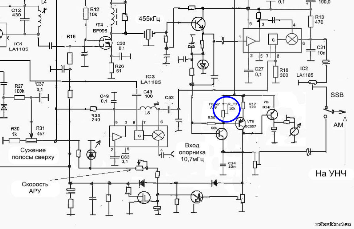
Добавил усиление по ПЧ2

Кто захочет сэкономить на биполяре генератора и не нужна оперативность, поставил джампер и сделал вход для синтезатора, что бы с его помощью можно было изменять полосу.
Сообщение отредактировал olegby3838 - Среда, 2025-Май-07, 11:01 |
| |
|
|
| US5EVD | Дата: Среда, 2025-Май-07, 12:44 | Сообщение # 14 |
 мудрец
Группа: Модераторы
Сообщений: 1225
Статус: Offline
| Уже просматривается универсальность. Всю эту плату, запитать бы от от отдельного стабилизатора. Вольт эдак 10, но без потери усиления. Это добавит стабильности при работе АРУ.
|
| |
|
|
| olegby3838 | Дата: Среда, 2025-Май-07, 13:49 | Сообщение # 15 |
 продвинутый
Группа: Пользователи
Сообщений: 272
Статус: Offline
| Так это само собой, при 9_10В усиление не упадет даже на пару дБ. На всех Мастерах малосигнальные узлы запитаны ТОЛЬКО от стабов. Дома где-то есть мой вариант очень простого Low Drop на рассыпухе. Надо глянуть...
 
-------------- Вот тебе готовые варианты УНЧ, во втором случае с предусилителем. Вместо КП302 будут еще лучше J309_310
Сообщение отредактировал olegby3838 - Среда, 2025-Май-07, 14:14 |
| |
|
|
|