|
Трансивер "Навигатора"
|
|
| US5EVD | Дата: Среда, 2026-Янв-07, 13:25 | Сообщение # 1 |
 мудрец
Группа: Модераторы
Сообщений: 1225
Статус: Offline
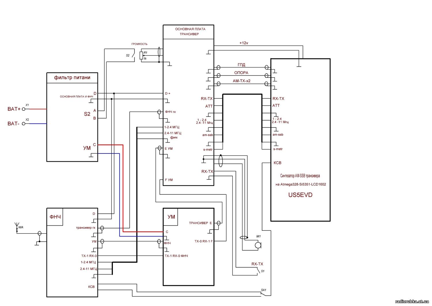
| Для Фото трансивера Желательно приложить блок схему, и краткое описание узлов. Работа проделана огромная. Спасибо за публикацию.
|
| |
|
|
| knopa0309 | Дата: Среда, 2026-Янв-07, 13:26 | Сообщение # 2 |
|
заглянувший
Группа: Пользователи
Сообщений: 12
Статус: Offline
| Всем привет хочу поделится своими трудами может кому то будит интересно. Трансивер работает уже несколько лет проблем никаких нет. Все ФНЧ и ФВЧ кварцевые фильтры настраивал с помощью nanoVNA поэтому не везде есть данные конденсаторов. За ранее извиняюсь что пишу не по теме.
Сообщение отредактировал knopa0309 - Среда, 2026-Янв-07, 00:18 |
| |
|
|
| knopa0309 | Дата: Среда, 2026-Янв-07, 13:26 | Сообщение # 3 |
|
заглянувший
Группа: Пользователи
Сообщений: 12
Статус: Offline
| Вот фото
|
| |
|
|
| knopa0309 | Дата: Среда, 2026-Янв-07, 13:26 | Сообщение # 4 |
|
заглянувший
Группа: Пользователи
Сообщений: 12
Статус: Offline
| И вот запись через kiwi sdr Добавлено (2026-Янв-06, 23:51) --------------------------------------------- Трансивер
|
| |
|
|
| knopa0309 | Дата: Среда, 2026-Янв-07, 21:36 | Сообщение # 5 |
|
заглянувший
Группа: Пользователи
Сообщений: 12
Статус: Offline
| Получилось как-то так
|
| |
|
|
| shwonder | Дата: Пятница, 2026-Янв-09, 15:55 | Сообщение # 6 |
 просветленный
Группа: Модераторы
Сообщений: 3344
Статус: Offline
| Мне нравится. Вполне достойно, только немного печатки почесать. Ну, может еще там посмотреть, что то поменяется. Рад появлению еще одного адекватного конструктора.
Посмотрел профиль. И рад еще больше.
|
| |
|
|
| knopa0309 | Дата: Пятница, 2026-Янв-09, 21:36 | Сообщение # 7 |
|
заглянувший
Группа: Пользователи
Сообщений: 12
Статус: Offline
| Спасибо мне тоже приятно. ДА из печаткой нужно быть оккуратным чтобы не перепутать слои местами. Основная плата трансивера синяя троссировка это верх плоты а кросная это низ платы. А в плате синтезатора наоборот красная троссировка это лицевая часть а синяя это задняя часть. На остальных платах вроде бы правильно если смотреть фотовид.
Добавлено (2026-Янв-09, 22:53) --------------------------------------------- Расскажу как я делал два максимально похожие кварцевые фильтры для тракта приема и передачи SSB. Я думал что это будит самая большая проблема, по началу хотел делать один фильтр и его коммутировать но это усложняло схему. Технология расчета и изготовления QER фильтра всем известно. Единственно я выбирал не 8 кварцев а 16 максимально идентичных. Потом ихние частоты пишем в столбик сортируем по возрастанию. А потом распределяем их по очереди на два фильтра.
НАПРИМЕР 1 КВАРЦ - 1 ФИЛЬТР 2 КВАРЦ - 2 ФИЛЬТР 3 КВАРЦ - 1 ФИЛЬТР 4 КВАРЦ - 2 ФИЛЬТР 5 КВАРЦ - 1 ФИЛЬТР И ТАК ДАЛЕЕ НА три фильтра один АМ и два SSB ели хватило 100 шт. кварцев из них 7 попалось нерабочие.
Сообщение отредактировал knopa0309 - Суббота, 2026-Янв-10, 00:15 |
| |
|
|
| olegby3838 | Дата: Четверг, 2026-Янв-22, 13:30 | Сообщение # 8 |
 продвинутый
Группа: Пользователи
Сообщений: 272
Статус: Offline
| knopa0309, Ожидал в папке ЗАПИСЬ увидеть файл записи с приемной части трансивера. Записывать нужно с его линейного выхода, но на крайняк можно и с динамика. Главное. что бы не через микрофон, особенно не на мобилку. ----------------- P.S. Обязательна запись шумов эфира, без приема станции, всего 5_10 секунд.
Сообщение отредактировал olegby3838 - Четверг, 2026-Янв-22, 13:32 |
| |
|
|
| knopa0309 | Дата: Четверг, 2026-Янв-22, 19:31 | Сообщение # 9 |
|
заглянувший
Группа: Пользователи
Сообщений: 12
Статус: Offline
| OK Постараюсь записать
|
| |
|
|
| valerzar1961 | Дата: Пятница, 2026-Янв-23, 21:26 | Сообщение # 10 |
 знающий
Группа: Пользователи
Сообщений: 209
Статус: Offline
| Цитата knopa0309 (  ) Получилось как-то так Какую прошивку использовали в синтезе?
|
| |
|
|
| knopa0309 | Дата: Четверг, 2026-Янв-29, 22:07 | Сообщение # 11 |
|
заглянувший
Группа: Пользователи
Сообщений: 12
Статус: Offline
| ЗАПИСЬ В SSB 2920
---------------------------------------------
Сообщение отредактировал knopa0309 - Четверг, 2026-Янв-29, 22:12 |
| |
|
|
| knopa0309 | Дата: Четверг, 2026-Янв-29, 22:16 | Сообщение # 12 |
|
заглянувший
Группа: Пользователи
Сообщений: 12
Статус: Offline
| ЗАПИСЬ В LSB Добавлено (2026-Янв-29, 22:37) ---------------------------------------------
Цитата valerzar1961 (  ) Какую прошивку использовали в синтезе? Синтезатор вот этот radiorubka.at.ua/forum/13-189-1 прошивку нужно спрашивать у автора
|
| |
|
|
| knopa0309 | Дата: Четверг, 2026-Янв-29, 23:08 | Сообщение # 13 |
|
заглянувший
Группа: Пользователи
Сообщений: 12
Статус: Offline
| А здесь запись ам вищалки и 3.175 мГц
Прикрепления:
AM.rar
(1.64 Mb)
|
| |
|
|
| olegby3838 | Дата: Пятница, 2026-Янв-30, 15:19 | Сообщение # 14 |
 продвинутый
Группа: Пользователи
Сообщений: 272
Статус: Offline
| knopa0309, Записи USB и LSB обработаны. Нет записи шума эфира без станции с включенной антенной. Диапазон не имеет значения.
Цитата olegby3838 (  ) Обязательна запись шумов эфира, без приема станции, всего 5_10 секунд. Откуда брался сигнал, какой программой записывался? Потом прокомментирую.
-------- Сохранять удобнее в формате MP3, хотя это не принципиально...
Сообщение отредактировал olegby3838 - Пятница, 2026-Янв-30, 17:19 |
| |
|
|
| knopa0309 | Дата: Пятница, 2026-Янв-30, 19:26 | Сообщение # 15 |
|
заглянувший
Группа: Пользователи
Сообщений: 12
Статус: Offline
| Записи USB LSB не обработаны это так радиолюбители обрабатывают свой сигнал
|
| |
|
|