|
Универсальные транзисторы для модулятора и передатчика
| |
| kotrad78 | Дата: Воскресенье, 2025-Авг-24, 20:41 | Сообщение # 1 |
 мастер
Группа: Пользователи
Сообщений: 1083
Статус: Offline
| Многие уже попробовали P-N сборку полевых транзисторов NCE30NP1812K для самодельных драйверов, и она показала себя великолепно. И у меня пришла мысль, а вдруг эта компания, которая производит сборку выпускает и такие же качественные транзисторы? Пошукал, пошукал и нашёл)
NCE NCEP02525F 0.8$ за шт. или 0.6$ при покупке 10шт: https://lcsc.com/product....36.html
Корпус изолированный ТО-220F (можно сразу к радиатору прикручивать, без прокладок) Uсток-исток: 250В (для класса Е не пойдёт, для двухтакта или моста в самый раз)
Рассеиваемая мощность: до 45Вт Постоянный ток: до 25А Импульсный ток: до 100А Uзатвора: +/- 20В Сопротивление канала: 60мОм при Uз 10В Скорость переключения: 9/5ns Ёмкость затвора: 1600пф Заряд затвора: 24nC
Это транзистор по новой технологии "Super Trench", поэтому да, ёмкость затвора кажется высоковата для МГц частот, но заряд затвора всего 24нКл, почти в 2 раза ниже, чем у карбидов. Так что, на наших частотах работать сможет. Заказал транзистор на пробу. Приехал. Начал проводить испытания.
Сначала решил проверить его в модуляторе.
За базу взял свой рабочий модулятор на ТL5001 и немого его переделал. Схема получилось вот такой:

- выпаял оптодрайвер 3120 (т.к. у него миним. порог питания 13В) и впаял 3150 (порог питания от 10В) - убрал 15В лм-ку и впаял на 12В. DC/DC изолятор 12/24В не менял, но на схеме нарисовал уже 12/15В модель. - убрал с платы 80-й карбид и 10А SiC диод, и вместо них припаял ТО-220F транзистор и ТО-220F кремниевый диод Шоттки MURF1560-KTP https://www.lcsc.com/product-detail/C48392819.html
Общий вид.

Большая плата - LTC модулятор из прошлых экспериментов, маленькая плата - TL5001 модулятор.
Затворный резистор R12 на LTC плате был 75Ом. Он был подобран для карбид-кремниевого транзистора. Вот какой сигнал получился на выходе модулятора с новыми транзистором, диодом и 75Ом резистором:
Силовое питание 50В, частота ШИМ около 80кГц. И очень большой ВЧ звон по переднему фронту, почти 100В по амплитуде. Транзистор у нас на 250В сток-исток, так что этот звон будет опасен, если поднять силовое питание до 100-150В. Так что, стал этот звон бороть. Решение как всегда оказалось простым - увеличить затворный резистор R12. Опытным путём подобрал его значение в 150Ом.
ВЧ звон почти полностью пропал, при сохранении хороших фронтов. Вот такой сигнал на выходе модулятора при 100В силовом питании и скважности в 95%
Такой большой затворный резистор обусловлен тем, что это не просто кремниевый мосфет, а кремниевый мосфет по новой технологии. Очень низкий заряд затвора и очень высокая скорость переключения. Так что и затворный резистор пришлось ставить большой.
В следующем сообщении продолжу.
|
| |
|
|
| kotrad78 | Дата: Воскресенье, 2025-Авг-24, 20:58 | Сообщение # 2 |
 мастер
Группа: Пользователи
Сообщений: 1083
Статус: Offline
| Сигнал на затворе выходного транзистора. Без силового питания:
При силовом питании 100В:

Есть небольшой ВЧ звон по закрытию. Это проникают остатки силового ВЧ звона через ёмкость транзистора и монтаж платы. Амплитуда этого ВЧ звона около -6В, но это совершенно не опасно, т.к. транзистор кремниевый и предел по затвору от -20В до +20В.
Далее - самое главное. Нагрев транзистора под нагрузкой.
Если честно, очень переживал, что сможет выдержать хотя бы ватт 50-60 в нагрузке, но...)
Постепенно повышал на блоке питания напряжение и довёл до 100В (предел блока питания). Так же увеличивал скважность ШИМ сигнала и довёл до 95%. То есть, чтобы максимально нагрузить транзистор. Нагрузка модулятора после ФНЧ - чайник с водой, у которого сопротивление тена около 25Ом.
Вот такая получилась потребляемая мощность, 325Вт:
Как думаете, до скольки градусов нагрелся ТО-220F транзистор?)

Нагрев транзистора через 25 минут работы 61 градус!! 325Вт в нагрузке и нагрев всего 61 градус!! Это просто супер!! Особенно на пассивном, небольшом радиаторе. Вода в чайнике уже начала бурлеть, шипеть и готовиться к закипанию). Ради интереса направил на радиатор 12см кулер от процессора:

Нагрев вообще почти полностью пропал.. При 325Вт нагрузки в модуляторе..
Здорово.
Предварительные заключения.
1. ТО-220F транзистор NCE NCEP02525F показал себя великолепно в модуляторе!
2. С небольшим радиатором и пассивным охлаждением, нагрузкой модулятора может быть передатчик мощностью до 350Вт. С активным охлаждением или большим радиатором, думаю 0.5-0.6кВт.
Стенда для полумоста, двухтакта или моста пока нет рабочего, так что чуть позже попробую просто в сток транзистора подключить 50Ом эквивалент нагрузки и подать мегагерцовые частоты. Посмотрим, как себя поведёт.
|
| |
|
|
| kotrad78 | Дата: Суббота, 2025-Авг-30, 02:41 | Сообщение # 3 |
 мастер
Группа: Пользователи
Сообщений: 1083
Статус: Offline
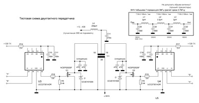
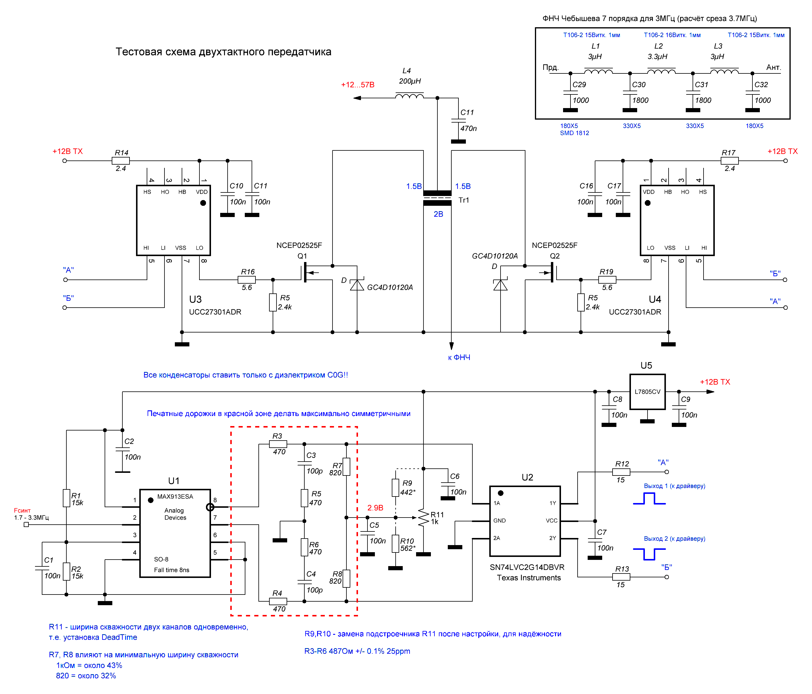
| Итак, дошли руки до ВЧ тестирования NCEP02525F полевиков. Сначала думал сделать простенький стенд, но затем вспомнил, что у меня же был неудачный проект полного моста на ган транзисторах. Решил его за базу взять.
Убрал ган-полевики и поставил 4шт NCEP02525F. Но, ситуация особо не поменялась, при силовом питании выше 20В начиналось возбуждение, так же как и с ган-транзисторами. Причину нашел - драйвер UCC27301ADR всё же не годится для мегагерцовых частот при бутстрепном режиме на два полевика.
Подумал подумал, и решил из полного моста сделать двухтакт). Отключил верхние каналы драйвера, тем самым из мостового включения переведя их в двухтактное. Примерная схема получилась вот такой:
Схема не для повторения, она просто как макет для проверки полевиков.
Фото:

При двухтакте схема сразу заработала как надо. Схема разведения фронтов тоже хорошо себя показала. Затем начались долгие мытарства с выходным трансформатором... с его обмотками.
Вариант 1. Первая обмотка - латунные трубки внутри трансформатора. Одна трубка на один полевик, вторая на другой. С другой стороны трансформатора трубки спаяны вместе, туда подавалось силовое питание. То есть, первая обмотка получилась 0.5 + 0.5 витка. Вторая обмотка - 2 витка.
При 15В силовом питании вот такой получился сигнал на стоках полевиков при частоте 3.5МГц:

И вот такой нагрев:
Питание 15В, потребление тока по силовой части 38Вт, мощность в антенне на частоте 3.5МГц 22Вт, нагрев транзисторов в среднем 55 градусов, амплитуда напряжения на стоке около 110В.
Итого, КПД около 55%, соотношение Uстока к Uпитания = 7.5 раз.
В общем, не понравилась мне такая работа, поэтому стал пробовать разные варианты.
В след. сообщении продолжу.
|
| |
|
|
| kotrad78 | Дата: Суббота, 2025-Авг-30, 02:58 | Сообщение # 4 |
 мастер
Группа: Пользователи
Сообщений: 1083
Статус: Offline
| Вариант 2. Двухтактный передатчик, это по-сути два однотактных. А при проектировании класса Е(ЕШ) очень хорошо показала практика, между сток-истоком полевиков ставить карбид-кремниевый диод Шоттки на 1200В. Он работает в качестве конденсатора, но, без сильных ВЧ звонов.
Поэтому, такое же решение решил сделать и тут. Поставил параллельно сток-истокам транзисторов два SiC Шоттки SUPSiC GC4D10120A. И вот такая получилась картина.
Сигнал на стоках:
Нагрев:
Питание так же 15В, потребление тока по силовой части выросло до 42Вт, мощность в антенне тоже выросла до 30Вт. Нагрев транзисторов упал до 44 градусов.
Итого. КПД с 55% вырос до 71%, выходная мощность с 22Вт выросла до 30Вт, напряжение на стоке снизилось со 110В до 90В, отношение Uстока/Uпитания снизилось с 7.5раз до 6 раз.
Уже лучше. Но, всё равно, решил изменить трансформатор.
Вариант 3.
Отключил трубки и внутрь них продел провод. 1.5Витка на один полевик, полтора витка на второй. Средняя точка так же - на силовое питание. В итоге трансформатор получился как на схеме из предыдущего сообщения. 1.5 + 1.5 / 2 витка.
Из-за того, что соотношение витков сильно изменилось, соответственно теперь можно было значительно сильнее повышать силовое питание. Максимальное напряжение, при котором транзисторы смогут работать (у них предел Uстока 250В) - получилось 57В. Вот такой сигнал на стоках:

Вот такой нагрев:
И вот такая мощность в антенне, шкала 300Вт

Итого:
3.5МГц, силовое питание 57В, потребляемый ток по силовой части 112Вт. Выходная мощность в антенне около 90Вт. Нагрев транзисторов 45 градусов. Нагрев трансформатора 65-70 градусов. Напряжение на стоке около 230В (из 250 предельных).
КПД с 71% вырос до 80%, нагрев транзисторов не изменился, отношение Uстока/Uпитания снизилось с 6раз до 4 раз. Результат отличный.
В следующем сообщении продолжу.
|
| |
|
|
| kotrad78 | Дата: Суббота, 2025-Авг-30, 03:14 | Сообщение # 5 |
 мастер
Группа: Пользователи
Сообщений: 1083
Статус: Offline
| Сигналы на затворах при 3.5МГц и 12В на драйверах, без силового питания:
Я ставил затворные резисторы по 5.6Ом, они помогают снизить ВЧ звон. Но, как видим, в данном случае 5.6Ом слишком много, фронты заметно "слизываются", поэтому можно смело снизить до 2-3 Ом.
И сигналы на затворах при подаче силового питания 57В:
Ожидаемо везде появляется ВЧ звон, но, это в норме. Главное, что амплитуда сигнала не меняется, стабильно в районе 12В, и фронты не пересекаются, т.е. нет сквозного тока.
Заключение.
1. Транзисторы NCEP02525F отлично показали себя и в модуляторе и в передатчике
2. В модуляторе могут работать с нагрузкой до 0.5-0.6кВт, а в АМ двухтактном передатчике смогут уверенно выдавать мощность до 90Вт на частотах до 4МГц.
3. Транзисторы неприхотливые. В процессе экспериментов (на полном мосте), напряжение на затворе поднималось до 26В (из 20 предельных) - не сгорели. Хотя, лучше так, конечно же не рисковать).
4. Транзисторы китайские, но, честно свои 250В(230) по сток-истоку держат. Хотя в реальной работе, конечно же, лучше не превышать выше 120-150В, чтобы был задел, запас на случай обрыва антенны и высокого КСВ.
5. Сопротивление канала очень низкое, поэтому и нагрев тоже, как видите - вообще ни о чём, очень низкий.
6. Корпус, как ранее писал - пластиковый, ТО-220F, поэтому при посадке на радиатор не нужны изоляционные прокладки.
7. Ну, и цена около 6$ за 10шт - очень низкая и доступная https://www.lcsc.com/product-detail/C503036.html
В общем, все ожидания оправдались, транзистор получился универсальным для конструирования и мощных модуляторов, и передатчиков малой - средней мощности.
|
| |
|
|
| kotrad78 | Дата: Вторник, 2025-Сен-02, 06:15 | Сообщение # 6 |
 мастер
Группа: Пользователи
Сообщений: 1083
Статус: Offline
| Следующий эксперимент. Первичка выходного трансформатора так же 1.5 + 1.5 витка, вторичку увеличил с 2 до 3 витков.
Силовое питание 24В. Потребляемый ток 38Вт, мощность в антенне 34Вт.
Нагрев элементов:

Транзисторы по 39 градусов, трансформатор около 50.
Сигналы на стоках:

Отношение Uсток / Uпитания = 3 раза. Пока самый лучший результат.
Силовое питание 42В. Потребляемый ток 110Вт, мощность в антенне 95Вт.
Нагрев:

Транзисторы 45-50, трансформатор 63. Все тесты примерно по 25 минут.
Сигналы на стоках:

Отношение Uсток / Uпитания = 5 раз.
Мощность в антенне, как писал выше, около 95Вт, шкала 300Вт:

Итог.
Увеличение кол-ва витков второй обмотки, логично позволило получить ту же мощность, при более низком силовом питании. В следующем сообщении продолжу.
|
| |
|
|
| kotrad78 | Дата: Вторник, 2025-Сен-02, 06:40 | Сообщение # 7 |
 мастер
Группа: Пользователи
Сообщений: 1083
Статус: Offline
| Транзистор и диод - приборы не линейные. С увеличением напряжения падает выходная и проходная ёмкость p-n переходов. Сигнал при 24В питании похож на колокол и обеспечивает максимальный КПД. Однако при 42В сигнал уже стал тройной. Это навело на мысль о том, что, при повышении напряжении на стоках, собственной ёмкости транзистора, а так же ёмкости шунтирующего карбид-кремниевого диода Шоттки уже не хватает.
Лепить по ещё одному диоду не стал, установил параллельно диодам китайские слюдяные (mica silver) конденсаторы, по 470пф 500В. Почему 470? Просто других не было)). На фото они коричнево - красные, толстенькие:
Полтора года назад покупал тут: https://aliexpress.ru/item/1005003751923206.html стоят не дёшево, но, качество хорошее.
Конденсаторы параллельно сток-исток неизбежно вызывают ВЧ звон, но, диоды Шоттки успешно его глушат, он лишь немного виден на сигнале.
Силовое питание 58В.
Сигнал на стоках. Вот эта лёгкая "зебра" на сигнале - и есть ВЧ звон от слюдяных кондёров, сильно подавленный диодами Шоттки:

Можно сказать, угадал с ёмкостью кондёров. Форма сигналов почти колокол. Отношение Uсток/Uпитания 3.7 раза. Отлично.
Нагрев через 20 минут теста:

Транзисторы по 80 градусов, трансформатор за 90.
Потребляемый от блока питания ток, 245Вт:
Мощность в антенне на частоте 3.5МГц = 200Вт, шкала 300Вт.

Итог.
1. Дополнительные слюдяные конденсаторы снижают амплитуду сигнала на стоке до безопасного уровня и преобразуют его в "Л" колокол, позволяя получить 200Вт несущей.
2. Диоды Шоттки гасят ВЧ звон, который неизбежно образуется от слюдяных кондёров. То есть, связка "кондёр + диод" отличное решение.
3. Транзисторы снова удивили. ТО-220F мелочь, 2 штуки, а мощность такая же или даже чуть выше, чем в классе Е(ЕШ) на карбид-кремниевом ТО-247 мосфете.
В общем, транзисторы отличные, можно смело делать и модуляторы и передатчики.
|
| |
|
|
| shwonder | Дата: Вторник, 2025-Сен-02, 11:46 | Сообщение # 8 |
 просветленный
Группа: Модераторы
Сообщений: 3344
Статус: Offline
| Цитата kotrad78 (  ) трансформатор за 90 как то многовато, хочется попробовать поменять параметры транса, количество витков первички, например.Добавлено (2025-Сен-02, 13:14) --------------------------------------------- Давно было, поэтому подробностей не помню, но сделал вывод: обмотки должны содержать только целое число витков.
|
| |
|
|
| kotrad78 | Дата: Вторник, 2025-Сен-02, 13:52 | Сообщение # 9 |
 мастер
Группа: Пользователи
Сообщений: 1083
Статус: Offline
| Цитата shwonder (  ) количество витков первички, 1.5+1.5В первичка, 2 витка вторичка. Питание 57В, потребление 112Вт, в антенне 90Вт, КПД 80%, нагрев трансф. 68 градусов
1.5+1.5В первичка, 3 витка вторичка. Питание 42В, потребление 110Вт, в антенне 95Вт, КПД 86%, нагрев трансф. 64 градуса
1.5+1.5В первичка, 3 витка вторичка. Питание 58В, потребление 245Вт, в антенне 200Вт, КПД 82%, нагрев трансф. 92 градуса
И теперь анализ.
1. бОльшее кол-во витков я сделать не смогу, провод физически уже не пролезет внутрь.
2. бОльшее кол-во витков в первой обмотке приведёт у увеличению индуктивности обмотки, а значит к увеличению реактивного и оммического сопротивления, а значит к ещё большему нагреву. Это логично.
3. Если же уменьшить первичку, до, например 1+1 виток, то уменьшится индуктивность обмотки. Трансформатор, вероятно станет чуть-чуть всего меньше греться, но, форма сигнала на стоках из ровного "Л" колокола превратится в "вилку" с 2-3 пиками. Сама по себе эта "вилка" не страшна, т.к. ФНЧ потом всё равно всё сгладит. НО! Преобразуясь из "Л" в вилку, напряжение на стоке начнёт сильно повышаться до опасного уровня пробоя сток-исток 250В. Значит, придётся снижать напряжение питания. А при снижении напряжения, соответственно уменьшится и мощность.
4. "Вилку" на стоке можно побороть, добавив к 470пф шунтирующим кондёрам ещё какой-нибудь, пикофарад на 200-300. Да, "вилка" пропадёт и снова станет "Л", напряжение снова можно будет повысить, НО! Энергия же всё равно будет куда-то рассеиваться, и она будет рассеиваться теперь в нагрев транзисторов. Если в последнем эксперименте нагрев был 80 градусов, то теперь станет около 110-130, а это плохо.
Этот процесс я ещё давно моделировал в мультисиме, и он подтвердился на практике:
Либо маленькая шунтирующая ёмкость и средний нагрев трансформатора и средняя выходная мощность. Либо средняя шунтирующая ёмкость и сильный нагрев трансформатора и высокая выходная мощность. Либо большая шунтирующая ёмкость, средний нагрев трансформатора, средне-высокая мощность, но очень сильный нагрев транзисторов.
Вот такие "качели"
В общем, мне кажется, что именно с данными китайским ноунейм ферритом, применяемым в трансформаторе уже достигнут порог его возможностей. 200Вт при непрерывной работе передатчика + с небольшим обдувом кулера. Либо же, ватт 300-400 кратковременно, для кратковременного общения речью.
Магазина, где покупал феррит уже нет, но, нашёл точно такой же: https://aliexpress.ru/item/1005002803004702.html
Брал 2шт, что позиционируется как 150-600W, а потом самодельную трубку латунную вставлял.
P.s. В любом случае, я не рассчитывал вообще, что эти транзисторы 200Вт несущей в антенне потянут). Рассматривал их только как маломощные, на 50Вт плюс минус. А с такой мощностью феррит не особо греется.
|
| |
|
|
| kotrad78 | Дата: Вторник, 2025-Сен-02, 20:35 | Сообщение # 10 |
 мастер
Группа: Пользователи
Сообщений: 1083
Статус: Offline
| Цитата shwonder (  ) Давно было, поэтому подробностей не помню, но сделал вывод: обмотки должны содержать только целое число витков. Решил всё же попробовать.
Теперь первичка 1+1 виток, вторичка 3 витка. Индуктивность первой обмотки сильно снизилась, поэтому шунтирующих ёмкостей 470пф не стало хватать. Поставил ещё по 1 в плечо. Суммарная схема выходного каскада получилась такой:

Напоминаю, что схема - не для повторения, это просто макет. Т.к. драйверы мостовые и работают так, что лишь бы работали).
Итак, начинаем эксперименты.
1. Силовое питание 12В, потребляемая мощность 18Вт, в антенне 15Вт, КПД 83%, отношение Uст/Uпит = 3 раза, великолепно!

Нагрев, можно сказать никакой:

Для пояснения: P0, P1 - транзисторы P2 - провод обмотки трансформатора внизу P3 - провод обмотки трансформатора вверху P4 - феррит трансформатора
Имитация обрыва антенны, нет нагрузки. Сигнал на стоках:

Отношение Uстока/Uпитания, 110/12 = почти 10 раз. Предел у транзисторов по стоку 250В, 250/10 = 25В. Вот, если не делать никаких защит, максимальное безопасное напряжение питания на случай обрыва антенны 20-24В.
Нагрев при обрыве:

Логично, что мощности деваться некуда и она идёт обратно на разогрев транзисторов.
Затем сделал КЗ в антенне. Скрины выкладывать не буду. Ток очень маленький, напряжение на стоках тоже очень маленькое. То есть, КЗ в антенне транзисторы держат хорошо.
В следующем сообщении продолжу.
|
| |
|
|
| kotrad78 | Дата: Вторник, 2025-Сен-02, 20:46 | Сообщение # 11 |
 мастер
Группа: Пользователи
Сообщений: 1083
Статус: Offline
| 2. Силовое питание 24В, потребляемая мощность 65Вт, в антенне 55Вт, КПД 84%, отношение Uст/Uпит = 3.3 раза, великолепно!
Сигналы на стоках:

Нагрев:

Тоже, можно сказать никакой.
3. Силовое питание 30В, потребляемая мощность 115Вт, в антенне 100Вт, КПД 86%, отношение Uст/Uпит = тоже около 3.5 раза, великолепно!


4. Силовое питание 36В, потребляемая мощность 143Вт, в антенне 130Вт, КПД 90%, отношение Uст/Uпит = 4.3 раза, хорошо!
сигнал на стоках:
В след. сообщении продолжу.
|
| |
|
|
| kotrad78 | Дата: Вторник, 2025-Сен-02, 21:01 | Сообщение # 12 |
 мастер
Группа: Пользователи
Сообщений: 1083
Статус: Offline
| нагрев при 36В:

4. Силовое питание 40В, потребляемая мощность 177Вт, в антенне 160Вт, КПД 90%, отношение Uст/Uпит = 4 раза, хорошо!
Сигнал на стоках:
Нагрев:

Шкала 300Вт

При 42В начался возбуд и транзисторы благополучно отъехали). Возбуд, скорее всего из-за монтажа "на соплях и проводках", не люблю я его очень, но, такой уж макет был.
Итого.
1. При соотношении витков 1+1 / 3, феррит биноклей сам по себе не греется. Его разогревают только провода обмоток. При мощности в 170Вт, провода греются под 70 градусов, ну и феррит, в течение часа постепенно тоже догоняет эту температуру.
2. Предельное безопасное напряжение при таком соотношении витков - 36В.
3. 100Вт несущей можно получить при питании 30В. При 24В - несущая 55Вт, при 12В - в антенне 15Вт.
4. При мощности до 100Вт дополнительный обдув феррита не нужен, и можно ставить значительно более мелкие трубочки.
5. Для работы на частоте 3МГц нужно соблюдать правила ВЧ монтажа, чтобы никаких "соплей" и длинных проводов, как у меня на макете не было. Так безопаснее, меньше шанс подвозбуда.
В общем, отличные транзисторы, и снижение витков до 1+1/3 оказалось верным решением.
|
| |
|
|
| sobiratel2023 | Дата: Среда, 2025-Сен-03, 09:17 | Сообщение # 13 |
 любопытный
Группа: Пользователи
Сообщений: 77
Статус: Offline
| Возник один вопрос,а как оно будет в режиме модуляции?Если подвесить тональник для настройки,не выпрыгнут случаем транзисторы?
|
| |
|
|
| kotrad78 | Дата: Среда, 2025-Сен-03, 11:33 | Сообщение # 14 |
 мастер
Группа: Пользователи
Сообщений: 1083
Статус: Offline
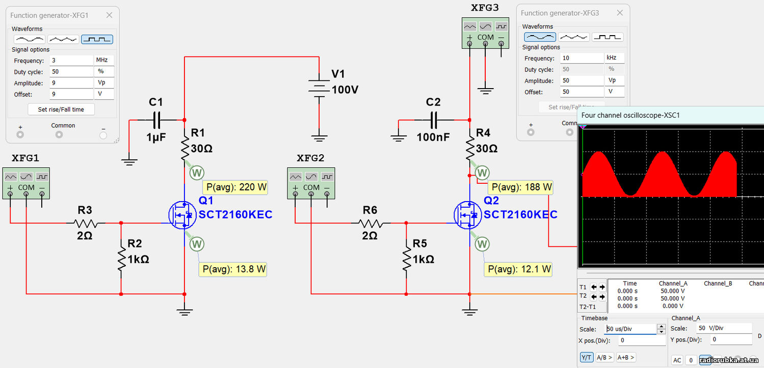
| Цитата sobiratel2023 (  ) а как оно будет в режиме модуляции? А что такое модуляция? По крайней мере АМ модуляция? Это, если сказать "на пальцах" - мы берём ручку блока питания, которая задаёт напряжение передатчика, и вращаем её туда сюда в такт с речью, от минимального значения, до максимального.
Например, при соотношении витков 1+1/3, при 30В питании на выходе 100Вт мощность. Если мы подадим эти 30В на модулятор, и он у нас будет ШИМ модулятор, класса D, то, в режиме молчания на его выходе будет U/2, то есть 15В.
То бишь, в режиме молчания на передатчик из 30В максимальных будет поступать 15В. На его выходе будет мощность около 20Вт, то есть 20Вт несущей. При разговоре, синусоидальный сигнал речи будет подавать на передатчик напряжение от 0В до 30В, ну, это если 100% модуляция будет. В итоге, у нас на выходе будет всегда 20Вт несущей, которая при 100% модуляции голосом будет переходить в до 100Вт мощности.
Вот, наглядное моделирование этого процесса:

На левый транзистор подана постоянка 100В. На транзисторе в тепло выделяется 13.8Вт. Полезная мощность на нагрузке 220Вт.
На правый транзистор подана модуляция, 10кГц сигнал амплитудой тоже 100В, со смещением 50%, то есть, примерная имитация работы ШИМ модулятора класса D. При максимальном пике модуляции, на транзисторе выделяется 12Вт тепла, на нагрузке 188Вт.
Так что, ничего не выпрыгнет).
Сообщение отредактировал kotrad78 - Среда, 2025-Сен-03, 18:53 |
| |
|
|
| kotrad78 | Дата: Четверг, 2025-Сен-04, 04:59 | Сообщение # 15 |
 мастер
Группа: Пользователи
Сообщений: 1083
Статус: Offline
| Провёл ещё один занимательный тест с транзисторами NCEP02525F.
Нагрузочную способность по току, частоте и мощности уже проверил, они отличные. А какой предел по сток-истоку? Для этих целей буду использовать китайский прибор XH37-5-4, брал тут: https://aliexpress.ru/item/1005006677325213.html
Приехал он где-то месяц назад, но, всё руки до него не доходили. Это высоковольтный генератор постоянного напряжения от 50 до 3700В. С регулируемым током в нагрузке от 50мкА до 5мА. Внутри несколько ОУ, ШИМ контроллер, ВВ генератор, умножитель напряжения на большом кол-ве RC цепочек и цепи контроля:
Принцип работы прибора. Включаем, на дисплее 000В. Удерживаем кнопку и регулятором напряжения выставляем нужное напряжение. Отключаем кнопку. Подключаем транзистор, диод, конденсатор и нажимаем кнопку. Если напряжение не просело, значит исследуемая деталь оригинальная и/или исправная. Если напряжение просело, деталь подделка или неисправная. Очень удобная штука.
Подключил его к осциллографу, напряжение на выходе было завышено примерно на 35-40В. Разобрал прибор и штатными подстроечниками (на плате вольтметра) немного откалибровал. Идеально, к сожалению не получилось, всё равно экран показывает выше в среднем на 10..20В. Ну, ничего страшного.
Итак, замеры.
По даташиту у NCEP02525F максимальный предел сток-исток 250В. На приборе выставил 250, в реальности он выдаёт ~260В. Подключил транзистор, нажал кнопку, показания на экране не изменились:

Затем выставил 300В (в реальности ~310В), нажал кнопку, показания опустились до 290В (в реальности до ~300В), то есть, начался микро-пробой сток-истока.

Итог.
1. Транзистор свои 250В по сток-истоку честно держит. Вот как. Китай Китаю рознь, как говорится. Иногда откровенный шлак делают, а иногда и "бриллианты")
2. Стоик-исток переход начинает прошивать 50мкА током при ~300В. Вот такой у него большой запас. Но, в реальной работе всё равно, лучше, естественно не доводить напряжение на стоке до максимума в 250В, хотя бы в половину, чтобы был запас по прочности и надёжности.
p.s. Если кто будет пользоваться этим прибором. Важные замечания и советы.
1. При измерении транзисторов всегда надёжно запаивайте перемычкой затвор на исток, чтобы его не прошило случайно!!
2. Если у вас деталь одна, и она по даташиту должна работать до 1000В, 1000В на приборе и выставляйте, не выше!! Если напряжение не просело - всё, деталь исправна, оригинальная и мучить её не надо. Если же у вас деталей много, кучка, мешок, то, ради интереса можете пожертвовать одной деталью и подать большое напряжение, прошив p-n переход микротоком. Да, вы узнаете так максимальный предел по напряжению, и хоть производитель прибора заверяет, что это безопасно, лучше так всё же не делать!
3. Если вы часто будете случайно коротить выход прибора, у вас неизбежно сгорит 20 Ом резистор R41. Он у всех сгорает, это слабое место прибора. Просто выпаяйте его сразу и поставьте по-мощнее:

Красная стрелка - сгоревший (в обрыве), уже выпаянный резистор, зелёная стрелка - запаял на его место более мощный. Ну, и плату тоже надо хорошо отмыть, а то китайцы поленились. Там ещё и дроссель в модуле заряда аккумулятора лопнул (слева, на фото), откололся немного, но, работает и так).
В общем, за свою цену нормальный прибор, который нужно немного допилить напильником).
|
| |
|
|
|